KINGWEI ikoPDA focuses on domestic ms industrial high-frequency data acquisition & analysis

Profinet EIP EtherCAT EGD UDP RFM RtEthernet Tc-net S7 Modbus OPC iso Ads

Siemens AB,GE,Mitsubishi,Beckhoff,MOOG,Schneider,ABB,Alstom,Driver,Domestic PLC,Special Board

QDR quality data recording (digital steel coil) centimeter and millisecond level, supports 32+clients online

Equipment testing, fault diagnosis, quality analysis, ikoPDA CHPDA PLC-PDA, No crack & call similar system

3rd PDA formats & Rich proprietary features

Global Standards, Exceptional Value

Simplified for China. Zero-Installation Setup

Full Customization & OEM with Open APIs

Proven by Hundreds of Enterprise Applications

Process Data Acquisition – PLC-PDA

-- Detailed analysis of quality manage & industrial big data sources

-- Full stack develop & Fully intellectual property owned

高速数据采集方案

专题系统

联系我们、下载

High speed data acquisition scheme

Thematic System

Contact us & Download

1 Configuring the PDA System and Data Tags

37 Main driver system SL150

2 S7-1500 and slave drop data collection scheme

38 B&R - Robot

3 S7-400 Ethernet high speed fixed period 2ms

39 MITSUBISHI MC protocol - format 4

4 S7-300 Ethernet high speed fixed period

40 MITSUBISHI MELSECT – QnA 3E

5 Profinet

41 MITSUBISHI Q-Series UDP

6 S7-400/300/TDC/FM458 Ethernet Variable Access

42 Smart meter DL/T645-2007 protocol

7 Standard Ethernet UDP TCP

43 S7-200 smart

8 S7 PLC Tools for program debugging - pdaTools

44 Automobile CAN-bus

9 S7-400/300/TDC/FM458 Symbol Variable DB block

45 Alstom HPCi VMIVME 7750 - UDP

10 S7-400/300 iso(MAC address)

46

11 S7-300/400 standard ethernet

47

12 TDC Ethernet

48 Listen to all data on the Profibus bus and collect it

13 S7-1500/1200

49 ABB main drive ACS6000

14 MPI/DP variable access

50 Collecting PCI/PCIe card data

15 Profibus-DP

51 Collect TC-net network data

16 RFM(Reflective Memory)

52 Collect UDP data forwarded by Tc-net

17 CoDeSys

53 Collect domestic PLC data

18 Interface Module

54 Other data collection methods

19 Simotion D

55 High speed data forwarding

20 EGD(Ethernet Global Data)

56 PDA system scheme for converter, RH furnace, LF furnace in steel plant

21 Modbus Register address

57 Continuous Casting Hydraulic Vibration PDA System

22 Modbus TCP Memory block

58 Hot rolling TDC GDM.PDA system renovation

23 Modbus TCP Register address

59 USB HID

24 FM458 Profibus-DP gateway

60 AnyControl

25 GE Fanuc SRTP/ SNPX

61 DDEServer

26 Wago

62 PDAServer as EtherCAT Slave

27 MOOG PLC

63 MQTT

28 ABB PLC

64 S7-1200 as both a PROFINET IO Controller and an IO Device

29 Beckhoff Ethernet

65 Millisecond level temperature acquisition

30 Bechhoff Realtime Ethernet

66 Acquiring TDC Data via Reflective Memory Network

31 Beckhoff Ads

67 Opc Ua Variable Scan and Export

32 EtherCAT

68 Collecting KEPServer data through Opc Ua

33 RS232 / RS485

69 Collecting S7-1500 data through Opc Ua

34 Rockwell AB PLC

70 Collecting AnyControl data through Opc Ua

35 OPC / OPC Ua

71 Opc Ua Interface pdaOpcUaServer

36 Auxiliary transmission S120

72 Project performance and typical project application

26 Wago

Please ask for sample wago_pda_udpTest1.pro if needed, UDP protocol is used, The data source typeis25, See section 4.3 for detail, Single PLC can send 1473 bytes/2ms once.

Ensure that .NET framework 4.0 can be installed correctly before installing Wago system software, please do the following if an error occurs.

1CMD - return - enter "net stop WuAuServ" in the open window

2Start - run - enter %windir%

3Find a folder called SoftwareDistribution, rename it to SDold

4Start - run - enter cmd- return - Enter "net start WuAuServ" in the open window

5Start - run - enter regedit - return

6Find register child key MAIN of HKEY_LOCAL_MACHINE\SOFWARE\Microsoft\Internet, Right click main, find the "Edit" - "permissions" in the popu menu, "complete control" and other words will appear after clicked, installation can be assured if it is checked.

Run \Wago\codesys2.3\CoDeSys_2.3.9.44_RELEASE_BUILD20140519134823\Setup.exe to setup program tools.

Run CoDeSys V2.3 to startup program tools.

Create a new project, select PLC CPU model, Create main program.

Create a new function block pdaSend.

Add Ethernet Communication Library WagoLibEthernet_01.lib.


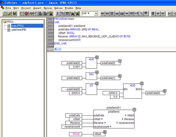
Create pdaSend[FB] program.

Create main[PRG] program.


Create a 2ms NewTask.

Add the main program to the NewTask.


Select login parameters to PLC.

Save the project as UdpTest1, Rebuild all programs.

Change the computer IP to PLC network segment, login and run.

PDA server configuration for acquisition 300REAL/2ms is as follows.

[2000,300CH,2.000ms,,25,Note,192.168.1.21]

No,    Name,Adr/note,Unit,Len,Offset  ,Gain    ,Type,ALM,HH   ,HI   ,LO   ,LL   ,Opr

CH1=,      ,        ,    ,4  ,0.000000,1.000000,REAL,0  ,0.000,0.000,0.000,0.000,0 

CH2=,      ,        ,    ,4  ,0.000000,1.000000,REAL,0  ,0.000,0.000,0.000,0.000,0 

CH3=,      ,        ,    ,4  ,0.000000,1.000000,REAL,0  ,0.000,0.000,0.000,0.000,0 

……

CH299=,    ,        ,    ,4  ,0.000000,1.000000,REAL,0  ,0.000,0.000,0.000,0.000,0 

CH300=,    ,        ,    ,4  ,0.000000,1.000000,REAL,0  ,0.000,0.000,0.000,0.000,0 

 

Apparatus test&Fault diagnosis&Quality analysis

Millisecond data sampling

Real-time data compression

Capture signal instantaneous mutation

友情链接 百度 腾讯 新浪 网易 搜狐 凤凰 淘宝 京东 中国自动化网 中国工控网 西门子 罗克韦尔 华军软件园 天空软件站 非凡软件站 多多软件站

携程 知乎 中国五矿 中冶集团 中冶赛迪 中冶南方 中冶京诚 中冶华天 中冶长天 中冶北方 中冶焦耐 中国宝武 宝信 宝钢 武钢 鞍钢 河钢 首钢

沙钢 山钢 涟钢

ICP2025092850 版权所有©Copyright:2025-2035. 经纬铭月科技(武汉)有限公司

 

 

Develop communication protocol, Customized analysis function, XinChuang domestic obsession

 

PDAServer    PDAClient